HIGH PRESSURE FOAM CANNON 7122007 |
|
|
High Pressure Connection Pipe 31144363 |
|
|
| Trigger Handle Max Pressure Label |
|
|
| AC-0810, High Pressure Piston |
|
|
| RD06 High Pressure Swivel - Brass |
|
|
Pressure Connection Pipe 34117365, 33101365 |
|
|
RL80 High Pressure Spray Gun |
|
|
| RD06 High Pressure Rotating Nozzle |
|
|
Hi Pressure Valve, 2.884-872.0 |
|
|
34149301G, High Pressure Hose Clip |
|
|
Shift High Pressure Hose Assy |
|
|
High Pressure Connection Pipe 33101365 |
|
|
LOW PRESSURE SOAP BOTTLE, 312003234 |
|
|
| 2,000 - 2,900 GAS PRESSURE WASHERS |
| AR BLUE CLEAN PRESSURE WASHERS |
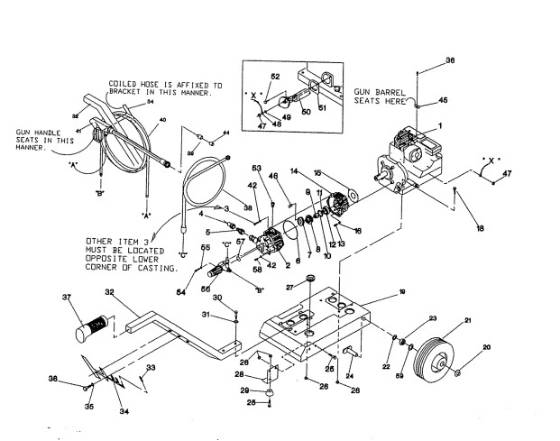
CRAFTSMAN, 580751781 |
Manifold Head Kit, 7108366 |
|
|
CRAFTSMAN, 580754883 |
CRAFTSMAN, 580754881 |
CRAFTSMAN, 580754880 |