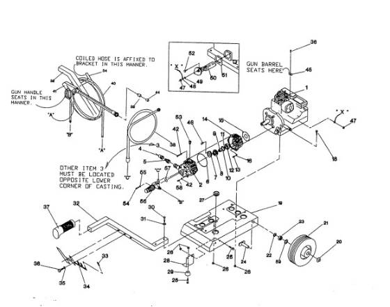
| Trigger Handle Max Pressure Label |
|
|
| AC-0810, High Pressure Piston |
|
|
| RD06 High Pressure Swivel - Brass |
|
|
Pressure Connection Pipe 34117365, 33101365 |
|
|
RL80 High Pressure Spray Gun |
|
|
| RD06 High Pressure Rotating Nozzle |
|
|
Hi Pressure Valve, 2.884-872.0 |
|
|
34149301G, High Pressure Hose Clip |
|
|
Shift High Pressure Hose Assy |
|
|
25' Pressure Hose,15MM END |
|
|
High Pressure Connection Pipe 33101365 |
|
|
LOW PRESSURE SOAP BOTTLE, 312003234 |
|
|
| 2,000 - 2,900 GAS PRESSURE WASHERS |
| AR BLUE CLEAN PRESSURE WASHERS |
CRAFTSMAN, 580751782 |
CRAFTSMAN, 580762250 |
| JOHN DEERE, HR-2620GMV |
JOHN DEERE, 020297-1 Parts |
JOHN DEERE, 020297-2 Parts |
Pressure Gauge- 5000 PSI w/ QC connector |
|
|