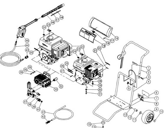
Mi-T-M, CD-3304-0MHC Parts |
Mi-T-M, CD-2804-0MHB Parts |
Mi-T-M, JCW-3003-0MRB Parts |
Mi-T-M, JCW-3003-0MVB Parts |
Mi-T-M, JCW-3003-0MHB Parts |
Fuel Filter 17672-880-000 120-414 |
|
|
Cylinder HEAD Assembly |
|
|
Cylinder HEAD Assembly |
|
|
CARBURETOR (BB61J B), 16100-Z0J-003 |
|
|
Bolt, Flange 6 - 79(CT200) |
|
|
Cylinder HEAD Assembly |
|
|
GC Recoil 28400-Z8D-911ZB |
|
|
Spark Plug Cap 30700-ZE1-013 |
|
|
Oil Plug & Seal 15600-ZG4-003 |
|
|
Throttle Return Spring 16562-ZE2-000 |
|
|
Mi-T-M, CA-4004-1FHG Parts |
Mi-T-M, CA-4004-1FHA Parts |
Mi-T-M, GRAINGER GC-3003-0MHB Parts |
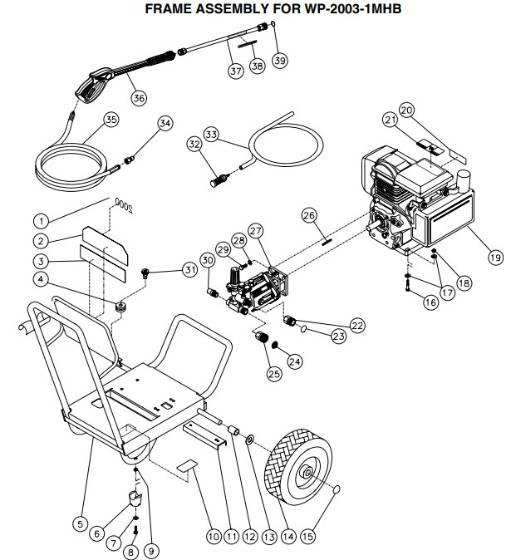
Mi-T-M, WP-2003-1MHB Parts |
25' Hose, Gun, Wand, Tip Kit 3.0 |
|
|