Closed for Thanksgiving Holiday 11/24-11/30
Items:
Subtotal:
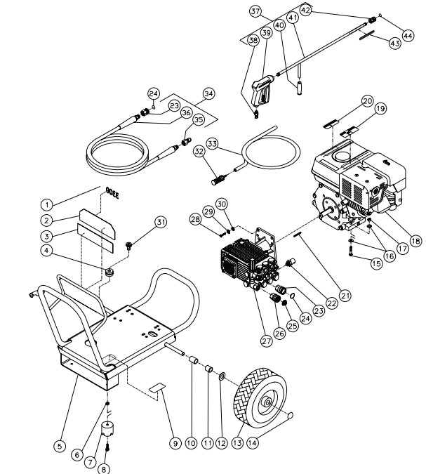
Mi-T-M JP-3304-0MHB Pressure Washer Parts Page
© Portable Power Equipment
Vancouver, WA, USA
Name Item No. Qty Price Total
Subtotal $0.00