Closed for Thanksgiving Holiday 11/24-11/30
Items:
Subtotal:
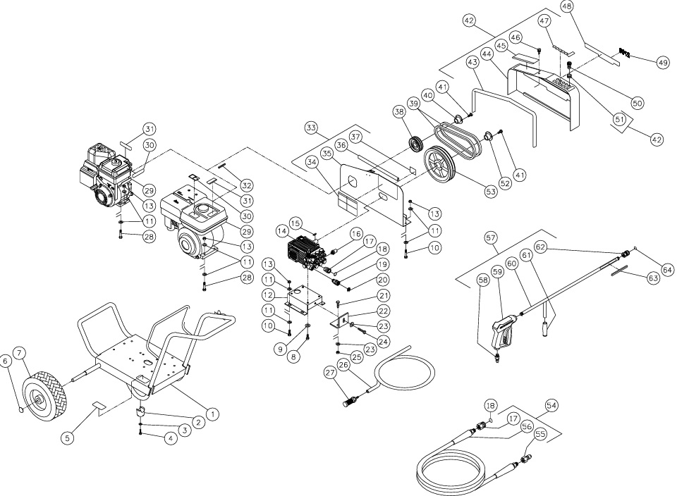
Mi-T-M, JCW-2703-0MHB Pressure Washer Parts
© Portable Power Equipment
Vancouver, WA, USA
Name Item No. Qty Price Total
Subtotal $0.00